助力只能制造,打造精密传动设备
高耐负荷
适应性广
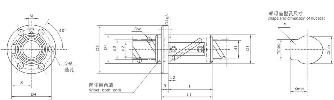
精工细作产品参数/Product parameters
产品介绍/Product introduction
Do you have the following troubles?
轴承老是
发生故障
运行精度
逐渐下降
经常更换
成本变大
不是工厂货源
售后没有保障
高耐用负荷/适用性广/精工细节
稳定性强
Strong stability
精度高
High accuracy
严选原材
Strictly select raw materials
品质齐全
Complete quality
Exquisite work and smooth operation
精工细作 运行流畅
精选材质,纯度高硬度高,产品经久耐用噪音小,精度高,耐高温,
顺滑,经久耐用寿命长
Excellent material quality assurance
优良材质 品质保证
精工制作,互换性强,耐磨损,广泛适用于多种设备,
层层筛选,严格把控生产质量


Stable and reliable product characteristics
产品特性 稳定可靠
丝杆长度可任意切割,两端可来图加工,工厂直接发货,
细节光滑平整,先进设备高精度标准化加工
高精度/高硬度
产品细节/Product details
Detail makes quality
生产工艺
研磨丝杆经多次研磨工艺生产,
精度可达任意300 mm,
0.018或0.008的精度
无侧隙,刚性高
滚珠丝杆可以加预压可使轴向间
隙达到负值,进而得到
较高的刚性
应用场景/Application scenario
数控车床/CNC lathe
自动化设备/automation equipment
运输设备/Transportation equipment
公司实力/Company strength
山东博特精工股份有限公司其前身是山东济宁丝杠厂,始建于一九六六年,国家高新技术企业,国内滚动功能部件骨干专业化生产厂。


公司主要产品:精密滚珠丝杠副、精密滚动直线导轨副、高速精密电主轴、精密机械主轴单元、X-Y精密双坐标工作台、精密主轴等。
公司拥有“机械工业滚动功能部件工程实验室”、“山东省滚动功能部件工程技术中心”及“山东省工业设计中心”。


